|
|
发送给朋友
|
分享到朋友圈
|
|
|
发送给朋友
|
分享到朋友圈
|

◇固态继电器的产品应用及技术性能特点
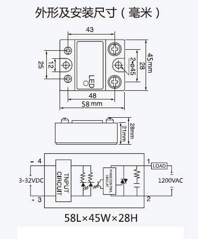
本公司生产的AJGX型SSR是采用国外先进技术和器件制造的一种开关性能优良的新型无触点电子开关器件。其输入端仅要求很小的控制电流,能与TTL、HTL、CMOS等集成电路较好地兼容;而输出回路则采用可控桂或大功率晶体管接通和断开负载电流。输入与输出之间采用光电耦合,通断没有可动接触部件,因此具有工作可靠、开关速度快、无噪音、寿命长、体积小、无火花、耐蚀防爆抗振等特点。目前已广应用于计算机外围接口设备、电炉加热恒温设备;数控机械' 遥控系统、工业自动化装置;信号灯、交通灯、照明舞台灯光控制设备;仪器仪表、医疗器械、复印机、彩扩机、橡塑机械,自动洗衣机;另外在化工、煤矿需防爆、防湿、防腐蚀场合中都有大量使用,已成为继电器家族(EMR) 的理想更新换代产品。
◇型号及其含义


